深冷制氮系統
輪胎氮氣硫化工藝是目前輪胎硫化最先進的生產工藝,相比傳統的PSA制氮、液氮 氣化,其主要優點是節能,制氮純度高,純度可達到99.999%。
系統圖/示意圖
熱水除氧系統
國內最早做熱水除氧的廠家,專利產品、技術可靠、壓力穩定。
系統圖/示意圖
自動化控制
華控能源致力于工業過程自動化控制系統,為提高客戶車間的整體運行效率、降低動力介質損耗、及時發現運行故障并自動聯鎖切換處理,提高用戶自動化調節水平。
系統圖/示意圖
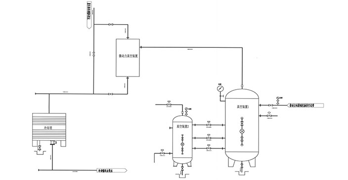
微動力抽真空
微壓水噴射真空系統原理——利用0.05MPa~0.1MPa抵壓水源通過管道閥門進入噴射器的漸縮段,將靜壓頭轉換成動能,在噴嘴出成為高速射流使混合室形成微真空(負壓)狀態,將被抽介質吸入混合室,并使壓力和速度發生變化,在混合段內水和被抽介質得到充分的混合,然后經擴散段使再混合液降低流速、靜壓頭升高,再通過出口管道及閥門將混合液送至池內進行分離,完成做功。設備運行穩定,節能率在95%以上。
系統圖/示意圖
余熱回收系統
乏汽回收器為我公司自主研發的專利產品,具有不憋壓、不影響硫化生產、換熱效率高、體積小等特點。
系統圖/示意圖
供應工程
本公司可提供供應工程的設計、設備選型 、施工、調試整套服務。
部分案例展示
2013年至2017年
| 客戶名稱 | 項目名稱 | 產能 |
|---|---|---|
| 山東玲瓏輪胎(泰國)股份有限公司 | 泰國玲瓏1320萬套半鋼氮氣硫化 | 1320萬套 |
| 貴州輪胎股份有限公司 | 2000Nm3/h全鋼深冷制氮項目 | 400萬套 |
| 山東玲瓏輪胎(德州)股份有限公司 | 1400Nm3/h半鋼深冷制氮項目 | 1600萬套 |
| 山東永豐輪胎(沂水)有限公司 | 1200Nm3/h半鋼(一期)深冷制氮項目 | 1200萬套 |
| 豐源輪胎制造股份有限公司 | 1000Nm3/h半鋼PSA改深冷制氮項目 | 1000萬套 |
| 貴州輪胎股份有限公司 | 全鋼熱水除氧動力站項目 | |
| 山東昊華(華東)輪胎有限公司 | 全鋼熱水除氧動力站項目 | |
| 山東永豐輪胎(沂水)有限公司 | 1200Nm3/h半鋼(二期)深冷制氮項目 | 1200萬套 |
| 賽輪集團股份有限公司 | 1500Nm3/h半鋼PSA改深冷制氮項目 | 1500Nm3/h |
| 山東玲瓏輪胎(泰國)股份有限公司 | 600Nm3/h全鋼子午胎深冷制氮項目 | 150萬套 |
| 東營金宇輪胎廠 | 真空系統設備 | - |
| 奧戈瑞輪胎有限公司(印尼) | 除氧動力站及公用工程項目 | 150萬套 |
| 青島賽輪輪胎廠 | 巨胎熱水除氧系統(二期) | - |
| 山東創華輪胎有限公司 | 200萬套/年全鋼熱水硫化項目 動力站、三站房及硫化地溝 | - |
| 格銳達輪胎有限公司 | 全鋼熱水除氧動力站改造 | - |
| 東營恒豐輪胎有限公司 | 三期全鋼熱水硫化動力站項目 | 200萬套 |
| 河北益豐橡膠有限公司 | 1000Nm3/h半鋼氮氣硫化動力站 | 1320萬套 |
| 山東龍躍橡膠有限公司 | 1200Nm3/h半鋼氮氣硫化動力站 | 1400萬套 |
| 中策橡膠(泰國)有限公司 | 氮氣增壓回收系統及輔助設備 | 1000萬套 |
| 雙錢集團(江蘇)輪胎有限公司 | 1000Nm3/h深冷制氮系統 | 1000Nm3/h |
| 河北特瑞寶輪胎有限公司 | 動力站乏汽回收項目 | - |
| 濟南重成自動化有限公司 | 動力站、制冷站、水泵房自動控制系統 | - |
| 合肥萬力輪胎有限公司 | 1200Nm3/h深冷制氮系統 | 1200Nm3/h |
| 中策橡膠(泰國)有限公司 | 1000Nm3/h深冷制氮系統 | 1000Nm3/h |
| 山東玲瓏輪胎股份有限公司 | 3000Nm3/h深冷制氮系統 | 3000Nm3/h |
| 賽輪金宇集團股份有限公司 | 巨胎動力站改造 | - |
| 河北特瑞寶輪胎有限公司 | 鍋爐TDS改造及余熱回收項目 | - |
| 河北嬴源有限公司 | 膠粉車間水泵房 | - |
| 中策橡膠(泰國)有限公司 | 胎面水處理設備 | - |
| 中策橡膠(安吉)有限公司 | 氮氣增壓回收系統及輔助設備 | - |
| 山東新大陸橡膠科技股份有限公司 | 深冷制氮系統及 動力站控制系統改造項目 | - |
| 山東永豐輪胎有限公司 | 除氧站系統 | - |
| 華誼集團(泰國)有限公司 | 年產120萬TBR+3萬OTR輪胎生產項目氮氣站系統 | - |
| 華誼集團(泰國)有限公司 | 年產120萬TBR+3萬OTR輪胎生產項目動力站系統 | - |